Метрика
Наверх
Обратная лопата к МКСМ - src10
11.4481

Обратная лопата к МКСМ

Обратная лопата к МКСМ

В наличии
 
В наличии
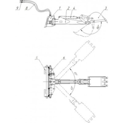
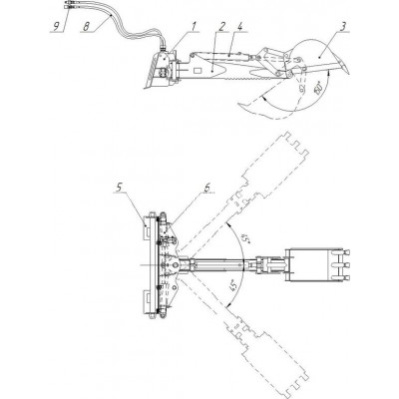
Обратная лопата состоит из: рамы 1; рукояти 2; ковша 3; панели крепления к машине 5; гидравлической системы. Рама выполнена в виде сварной конструкции и состоит из продольных и поперечных балок и панели крепления к машине. На раме смонтирован узел поворота, на котором закреплены рукоять и ковш. Масса, кг    280 Емкость ковша, м³    0,07 Глубина копания, м    1,9 Производительность рабочего цикла, сек    30 Габаритные размеры в транспортном положении, мм     длина/ширина/высота    1940/1280/790 Длина с погрузчиком, мм    4950 Максимальное давление в гидросистеме, МПа    18 Напряжение питания, В    12 Климатическое исполнение по ГОСТ 15150-59    УХЛ1
Производитель
ООО "РТИ-Микрон"
Скачать Obratnaya lopata Скачать "Obratnaya lopata"

Обратная лопата состоит из:
рамы 1;
рукояти 2;
ковша 3;
панели крепления к машине 5;
гидравлической системы.
Рама выполнена в виде сварной конструкции и состоит из продольных и поперечных балок и панели крепления к машине. На раме смонтирован узел поворота, на котором закреплены рукоять и ковш.

Масса, кг    280
Емкость ковша, м³    0,07
Глубина копания, м    1,9
Производительность рабочего цикла, сек    30
Габаритные размеры в транспортном положении, мм    
длина/ширина/высота    1940/1280/790
Длина с погрузчиком, мм    4950
Максимальное давление в гидросистеме, МПа    18
Напряжение питания, В    12
Климатическое исполнение по ГОСТ 15150-59    УХЛ1

Купите эту технику в лизинг

Удобный способ расширить свой автопарк в сжатые сроки для компаний и физ. лиц

ДОСТАВКА ЛЮБЫМ СПОСОБОМ

Русбизнесавто предоставляет услуги по перевозке и перегону техники по территории России. Мы сотрудничаем только с проверенными транспортными компаниями, прошедшими проверку на благонадежность и обладающими многолетним опытом по перевозке стандартных и негабаритных грузов любыми видами транспорта.

Русбизнесавто предоставляет услуги по перевозке и перегону техники по территории России.

Мы сотрудничаем только с проверенными транспортными компаниями, прошедшими проверку на благонадежность и обладающими многолетним опытом по перевозке стандартных и негабаритных грузов любыми видами транспорта.

Лизинг и кредит
Обратная лопата к МКСМ - p1 ЛИЗИНГ И КРЕДИТ
Получим предложения от множества лизинговых партнёров и подберём для вас оптимальную программу. Первоначальный взнос от 5%. Финансирование от 12 до 60 месяцев.
Trade-in
Обратная лопата к МКСМ - p2 TRADE-IN
Обмен «день в день» на новую и технику с пробегом. Выкуп и постановка на комиссию техники во всех филиалах.
Сервис и запчасти
Обратная лопата к МКСМ - p3 СЕРВИС И ЗАПЧАСТИ
Наши СТО и бригады выездного технического обслуживания действуют по всей стране и оперативно отремонтируют вашу технику независимо от сложности ремонта.
Выберите Ваш регион, чтобы получить лучшие условия покупки:
Барнаул
Белгород
Благовещенск
Владивосток
Волгоград
Вологда
Воронеж
Екатеринбург
Ижевск
Иркутск
Казань
Калуга
Киров
Краснодар
Красноярск
Курск
Липецк
Минеральные Воды
Москва
Мурманск
Набережные Челны
Нижний Новгород
Новокузнецк
Новороссийск
Новосибирск
Омск
Оренбург
Пенза
Пермь
Ростов-на-Дону
Самара
Санкт-Петербург
Саратов
Симферополь
Ставрополь
Сургут
Сыктывкар
Тюмень
Уфа
Хабаровск
Чебоксары
Челябинск
Чита
Южно-Сахалинск
Ярославль
Барнаул
Белгород
Благовещенск
Владивосток
Волгоград
Вологда
Воронеж
Екатеринбург
Ижевск
Иркутск
Казань
Калуга
Киров
Краснодар
Красноярск
Курск
Липецк
Минеральные Воды
Москва
Мурманск
Набережные Челны
Нижний Новгород
Новокузнецк
Новороссийск
Новосибирск
Омск
Оренбург
Пенза
Пермь
Ростов-на-Дону
Самара
Санкт-Петербург
Саратов
Симферополь
Ставрополь
Сургут
Сыктывкар
Тюмень
Уфа
Хабаровск
Чебоксары
Челябинск
Чита
Южно-Сахалинск
Ярославль
Обратная лопата к МКСМ - hw69ssznb6vubpljnaomfpxfa49gp8sv
Екатеринбург
Обратная лопата к МКСМ - 0gafian6es3kgzqqe72utl8i3yasdhz6
Казань
Обратная лопата к МКСМ - 225whqonnzf1h19bzq6jg4v7ja6gf5om
Москва
Обратная лопата к МКСМ - 18_%D0%9D%D0%B8%D0%B6%D0%BD%D0%B8%D0%B9%20%D0%9D%D0%BE%D0%B2%D0%B3%D0%BE%D1%80%D0%BE%D0%B4
Нижний Новгород
Обратная лопата к МКСМ - pt0yqf0jhnbneu4x6d5hn7xd0zma0njk
Пенза
Обратная лопата к МКСМ - 11_%D0%A0%D0%BE%D1%81%D1%82%D0%BE%D0%B2-%D0%BD%D0%B0-%D0%94%D0%BE%D0%BD%D1%83
Ростов-наДону
Обратная лопата к МКСМ - 12_%D0%A1%D0%B0%D0%BC%D0%B0%D1%80%D0%B0
Самара
Обратная лопата к МКСМ - 16_%D0%A7%D0%B5%D0%B1%D0%BE%D0%BA%D1%81%D0%B0%D1%80%D1%8B
Чебоксары
Обратная лопата к МКСМ - 6_%D0%9A%D1%80%D0%B0%D1%81%D0%BD%D0%BE%D1%8F%D1%80%D1%81%D0%BA%20%281%29
Красноярск
Обратная лопата к МКСМ - 2_%D0%92%D0%BB%D0%B0%D0%B4%D0%B8%D0%B2%D0%BE%D1%81%D1%82%D0%BE%D0%BA%20%281%29
Владивосток
Заявка на покупку

* - обязательные поля

Уточнить цену

* - обязательные поля

Под заказ

* - обязательные поля

Уточнить подробности или задать вопрос

* - обязательные поля

Согласие на обработку персональных данных

* - обязательные поля

Заказать доставку

* - обязательные поля

Заявка на лизинг
Введите поисковый запрос